
Looking forward to meeting you at the ICS2025 Summit on June 20th
The Power Engine of the Trillion-Parameter Computing Era! A Detailed Look at IVS's 12-Phase V-Core Solution
During the 2025 Chinese New Year, DeepSeek released its new AI model R1, breaking through China's large-scale model technology boundaries with a trillion-parameter scale, marking the entry of compute-driven artificial intelligence into the deep waters of industrialization. In computing infrastructure centered on GPU, CPU, and Switch chips, multi-phase low-voltage high-current power supplies (multi-phase controller + Smart Power Stage), as the power hub of the "computing engine," are facing severe challenges brought by large model iterations—peak power consumption of computing chips breaking through the kilowatt level, and transient load fluctuations reaching the kiloampere level.
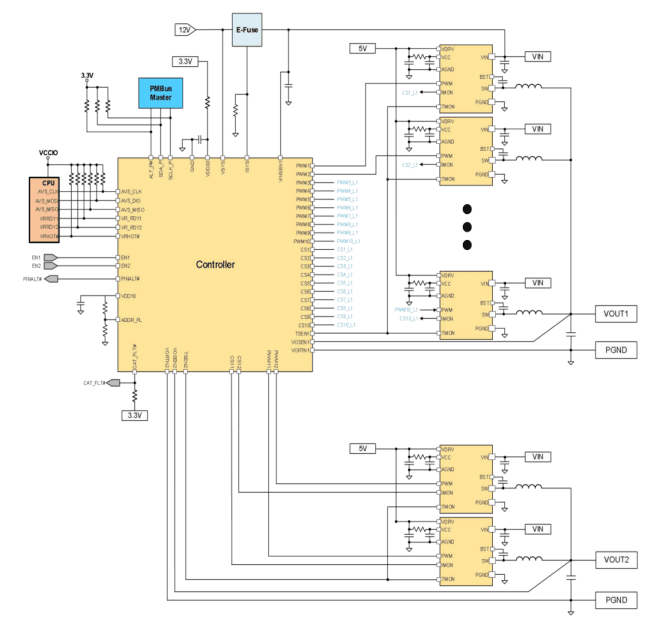
To meet customer demands for high power density, high efficiency, and high reliability in multi-phase power supplies, IVS has launched the 12-phase dual-output controller IS6203A, providing an efficient and stable power supply solution for AI computing chips.

Core Features
1. Multi-Phase Architecture and Dynamic Management:
The IS6203A supports dual-output configuration, with Loop1 supporting up to 12 phases and Loop2 supporting up to 6 phases for buck conversion, providing stable power supply for high-current loads. Its Adaptive Phase Shedding (APS) can automatically adjust the number of active phases based on load: reducing phases during light load to improve efficiency, and increasing phases during heavy load to share current and reduce heat, optimizing energy efficiency and thermal performance.
2. High-Precision Voltage Regulation
Chips like GPUs and CPUs have extremely high requirements for voltage stability; tiny voltage fluctuations can lead to system instability or performance degradation. Through precise algorithms and feedback mechanisms, the IS6203A ensures stable and reliable output voltage, achieving an output voltage regulation accuracy of ±0.5%.
3. Programmability and PMBus Interface
The IS6203A supports configuration and monitoring of power status via the PMBus interface. Users can flexibly set parameters such as output voltage, current limit, number of active phases, and switching frequency via software, thereby simplifying the design process. Additionally, users can read real-time data on operating status, temperature, etc., facilitating debugging and fault diagnosis.
4. Comprehensive Protection Functions
To ensure system safety and reliability, the IS6203A integrates multiple protection functions, including overvoltage protection (OVP), undervoltage protection (UVP), overcurrent protection (OCP), and overtemperature protection (OTP). In case of overvoltage, it automatically prevents the output voltage from exceeding the safe range and damaging the load chip; undervoltage protection ensures the output voltage does not fall below the set value; overcurrent protection limits output current overload; overtemperature protection automatically shuts down the output when the chip temperature is too high to avoid thermal damage.
5. Compatibility with Multiple Communication Protocols and Universal Package
The IS6203A integrates multiple communication protocols including PMBus, AVSBus, SVID, and PVID, meeting the requirements of most mainstream chips like GPUs and CPUs. The chip uses a QFN-48 package measuring 6mm x 6mm, and is compatible with products from mainstream manufacturers such as Infineon and MPS, ensuring wider applicability.


Key Design Specifications
1. High Reliability
After the VCC power supply is turned on, the IS6203A can automatically detect whether the PWM signal is floating. If a floating PWM is detected, the system considers that the corresponding Power stage is not properly soldered, ignores that phase, and allows the remaining phases to operate normally. During actual operation, the IS6203A supports Fault-handling behavior. When a Fault occurs in a particular Power stage, the controller can detect and discard that phase, while the remaining phases continue to operate normally.
Below is an example from actual operation where a Power stage triggered OTP. When the first phase triggers OTP, it first pulls Tsen high to 3.3V, while the Power stage stops responding to the controller's PWM signal. Subsequently, it pulls the Imon voltage down to REF=0.8V, meaning Imon=0A. Upon receiving the Tsen and Imon signals, the controller immediately switches the PWM signal to a tri-state. The figure below shows the waveform when the IS6203A triggers OTP protection:


2. High Efficiency
The IS6203A supports Adaptive Phase Shedding (APS) functionality, maintaining operation at the optimal number of phases based on the magnitude of the load current. This significantly improves efficiency under light load conditions, while under heavy load, all phases operate fully to sufficiently improve thermal performance design. The waveform diagram below shows the phase number change as load current increases:

Under the conditions Vin=12V, Vout=0.7V, using 8-phase operation, Fsw=600kHz, the efficiency comparison curves with Adaptive Phase Shedding (APS) functionality turned ON and OFF are as follows:

Under the conditions Vin=12V, Vout=0.7V, using 10-phase operation, Fsw=600kHz, the efficiency comparison curves with Adaptive Phase Shedding (APS) functionality turned ON and OFF are as follows:

3. Fast Dynamic Response
The instantaneous dynamic regulation of the IS6203A can adapt to application scenarios with fast load transients at the backend. When the backend load changes rapidly, the voltage change range is small, with a Vpeak-peak value of 214.4mV, fully meeting customer usage requirements. The specific test conditions are as follows:
- Vin=12V, Vout1=1.8V, LL=0.5 mOhm
- Istart=60A, Iend=430A, Slew rate=960A/µs
- Load frequency=2kHz, Duty cycle=50%
- Cout=7868µF (MLCC: 49*100µF + 16*47µF + 79*22µF + 8*1µF, POSCAP: 1*470µF)

4. High-Precision Current Imon Reporting
The figure below shows the Imon reporting curve tested on the IS6203A. The Imon accuracy can reach ±3%, providing precise current monitoring capability.

Compatibility Testing
The IS6203A can be used with our company's 70A/90A/100A Power stages and also supports the use of mainstream Power stage solutions available on the market. On various main platforms, the solutions that have passed verification are as follows:
| Test Platform | Controller Configuration | SPS | Result |
| Customer A Domestic 80-core ARM Platform VDD Rail | Fsw=600kHz, 10Phase, Non-TLVR, APS ON | IS6809A | PASS |
| Customer B Domestic ASIC Chip | Fsw=800kHz, 7+3Phase, TLVR, APS OFF | IS6816B | PASS |
| Customer C Customized Switch | Fsw=600kHz, 12Phase, Non-TLVR, APS OFF | IS6816B | PASS |
