16V, 40A Fully Integrated Synchronous Buck Converter with PMBus

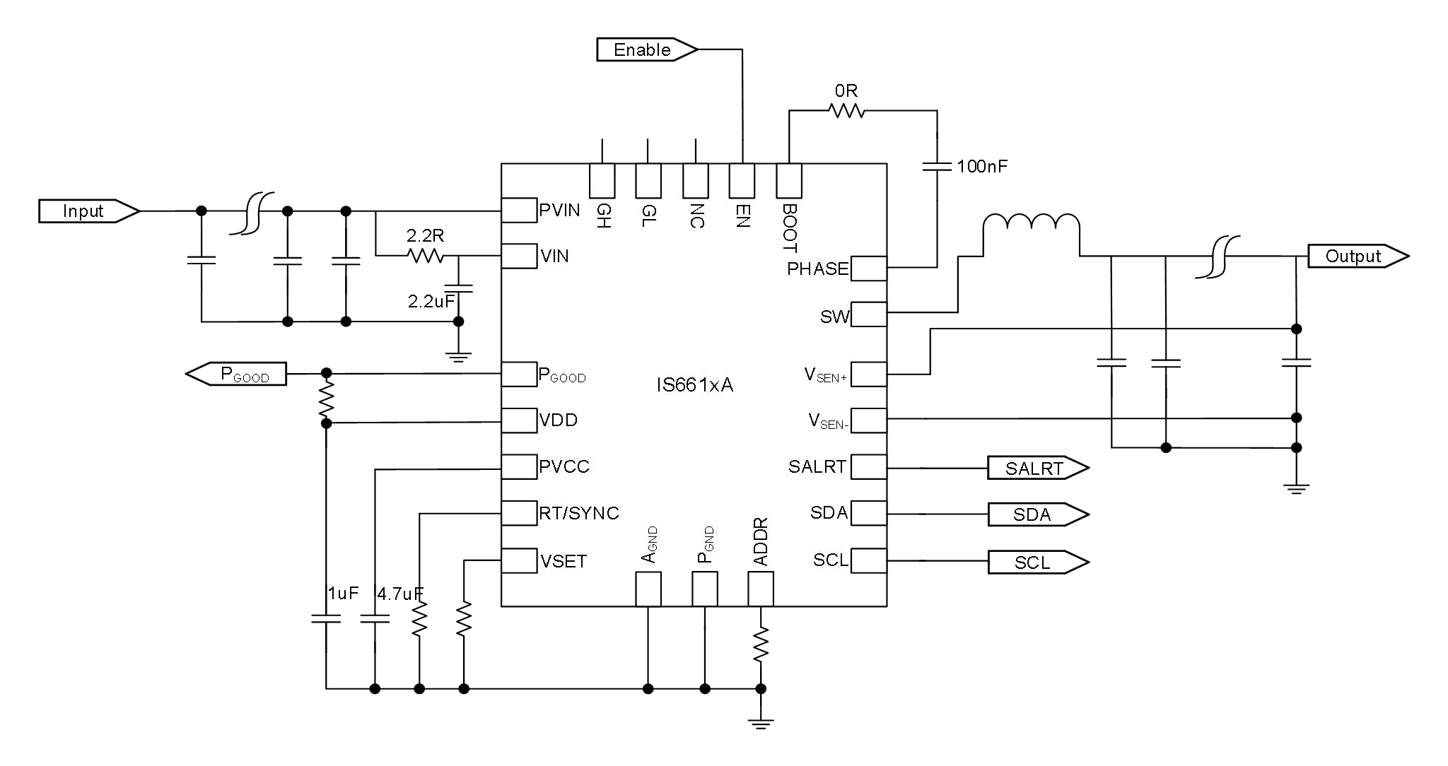
IS6610A is a high-power-density, fully integrated synchronous buck converter. It incorporates MOSFETs, supports a wide input voltage range, and delivers up to 40A of continuous output current. Its operating frequency ranges from 300kHz to 1.5MHz. For maximum efficiency, an external bias can be selected. The differential sensing scheme and internal feedback reference voltage achieve an output voltage tolerance of ±1% across the entire temperature range. IS6610A features excellent line and load regulation, providing ultra-fast transient response. It employs a power-saving scheme that significantly enhances light-load efficiency. The device also supports PMBus serial interface communication, with configuration parameters set via pin-strapping and non-volatile memory (NVM). Additionally, it offers telemetry readings for IOUT, VOUT, VIN, duty cycle, and temperature. IS6610A integrates comprehensive protection features, including OCP, NOCP, OVP, UVP, and OTP. Protection responses such as Miss, Latch Off, and Hiccup can be programmed via PMBus.

16V, 40A Fully Integrated Synchronous Buck Converter with PMBus

IS6610A is a high-power-density, fully integrated synchronous buck converter. It incorporates MOSFETs, supports a wide input voltage range, and delivers up to 40A of continuous output current. Its operating frequency ranges from 300kHz to 1.5MHz. For maximum efficiency, an external bias can be selected. The differential sensing scheme and internal feedback reference voltage achieve an output voltage tolerance of ±1% across the entire temperature range. IS6610A features excellent line and load regulation, providing ultra-fast transient response. It employs a power-saving scheme that significantly enhances light-load efficiency. The device also supports PMBus serial interface communication, with configuration parameters set via pin-strapping and non-volatile memory (NVM). Additionally, it offers telemetry readings for IOUT, VOUT, VIN, duty cycle, and temperature. IS6610A integrates comprehensive protection features, including OCP, NOCP, OVP, UVP, and OTP. Protection responses such as Miss, Latch Off, and Hiccup can be programmed via PMBus.
