16V, 25A Fully Integrated Synchronous Buck Converter with PMBus

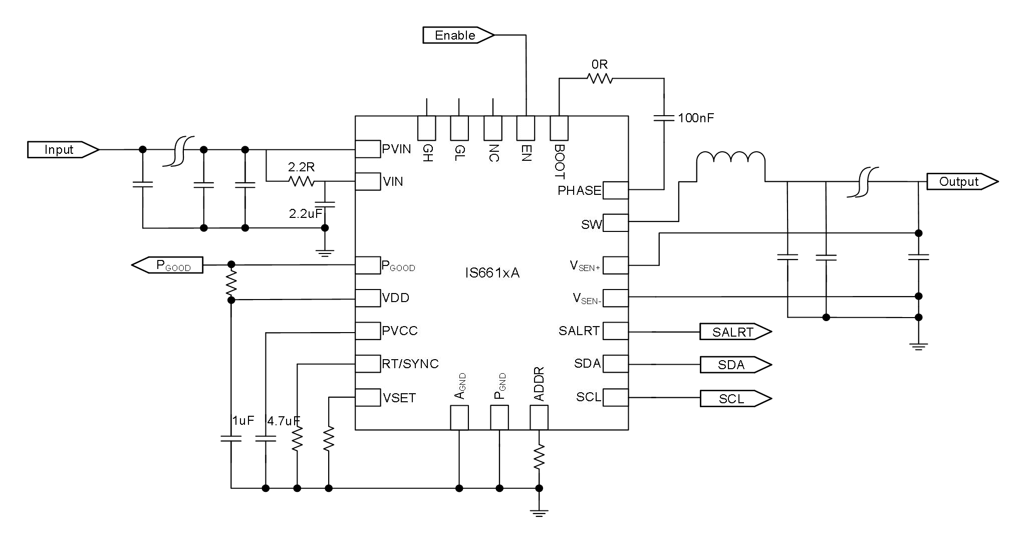
IS6612A is a high-power-density, fully integrated synchronous buck converter. It incorporates MOSFETs, supports a wide input voltage range, and delivers up to 25A of continuous output current. Its operating frequency ranges from 300kHz to 1.5MHz. For maximum efficiency, an external bias can be selected. A differential sensing scheme and internal feedback reference voltage achieve ±1% output voltage tolerance across the temperature range. IS6612A features excellent line and load regulation, providing ultra-fast transient response. It employs a power-saving scheme that significantly enhances light-load efficiency. The device also supports PMBus serial interface communication, with configuration parameters set via pin-strapping and non-volatile memory (NVM). Additionally, it offers telemetry readings for IOUT, VOUT, VIN, duty cycle, and temperature. IS6612A integrates comprehensive protection features, including OCP, NOCP, OVP, UVP, and OTP. Protection responses such as Miss, Latch Off, and Hiccup can be programmed via PMBus.

16V, 25A Fully Integrated Synchronous Buck Converter with PMBus

IS6612A is a high-power-density, fully integrated synchronous buck converter. It incorporates MOSFETs, supports a wide input voltage range, and delivers up to 25A of continuous output current. Its operating frequency ranges from 300kHz to 1.5MHz. For maximum efficiency, an external bias can be selected. A differential sensing scheme and internal feedback reference voltage achieve ±1% output voltage tolerance across the temperature range. IS6612A features excellent line and load regulation, providing ultra-fast transient response. It employs a power-saving scheme that significantly enhances light-load efficiency. The device also supports PMBus serial interface communication, with configuration parameters set via pin-strapping and non-volatile memory (NVM). Additionally, it offers telemetry readings for IOUT, VOUT, VIN, duty cycle, and temperature. IS6612A integrates comprehensive protection features, including OCP, NOCP, OVP, UVP, and OTP. Protection responses such as Miss, Latch Off, and Hiccup can be programmed via PMBus.
