16V, 12A Fully Integrated Synchronous Buck Converter with PMBus

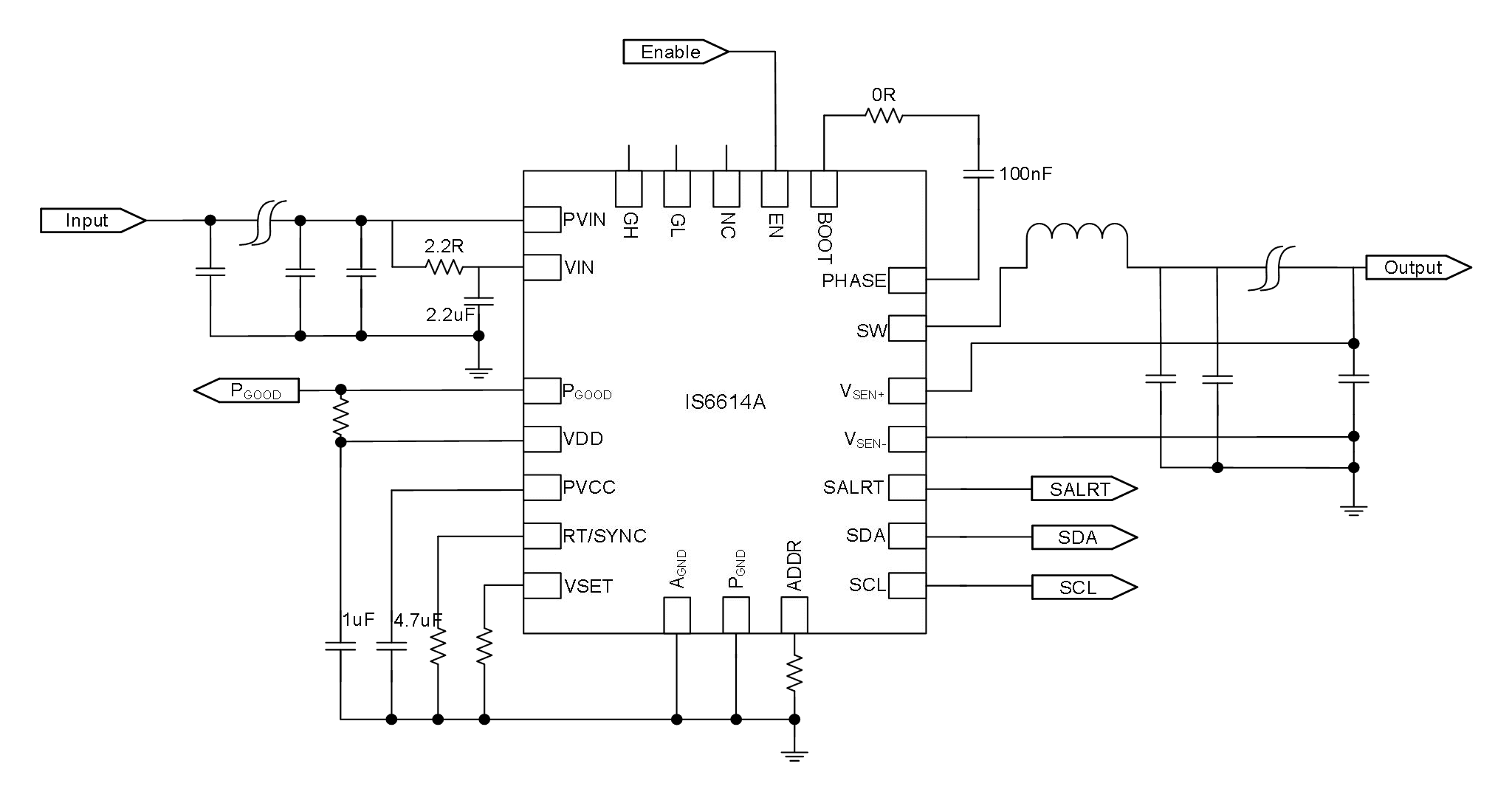
IS6614A is a high-power-density, fully integrated synchronous step-down converter. It incorporates MOSFETs, supports a wide input voltage range, and can deliver up to 12A of continuous output current. The operating frequency ranges from 300kHz to 1.5MHz. An optional external bias is available to maximize efficiency. A differential sensing scheme and internal feedback reference voltage ensure ±1% output voltage tolerance across the temperature range. IS6614A features excellent line and load regulation. It also supports PMBus serial interface communication, with configuration parameters set via pin-strapping and non-volatile memory (NVM). Additionally, it provides telemetry readings for IOUT, VOUT, VIN, duty cycle, and temperature. IS6614A integrates comprehensive protection features, including OCP, NOCP, OVP, UVP, and OTP. Protection responses such as Miss, Latch Off, and Hiccup can be programmed via PMBus.

16V, 12A Fully Integrated Synchronous Buck Converter with PMBus

IS6614A is a high-power-density, fully integrated synchronous step-down converter. It incorporates MOSFETs, supports a wide input voltage range, and can deliver up to 12A of continuous output current. The operating frequency ranges from 300kHz to 1.5MHz. An optional external bias is available to maximize efficiency. A differential sensing scheme and internal feedback reference voltage ensure ±1% output voltage tolerance across the temperature range. IS6614A features excellent line and load regulation. It also supports PMBus serial interface communication, with configuration parameters set via pin-strapping and non-volatile memory (NVM). Additionally, it provides telemetry readings for IOUT, VOUT, VIN, duty cycle, and temperature. IS6614A integrates comprehensive protection features, including OCP, NOCP, OVP, UVP, and OTP. Protection responses such as Miss, Latch Off, and Hiccup can be programmed via PMBus.
