16V, 15A Fully Integrated Buck DC/DC Power Module

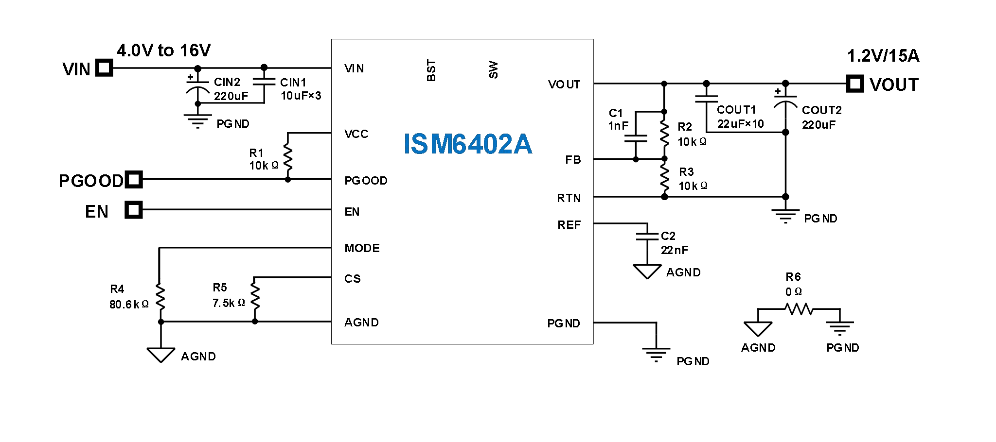
ISM6402A is a fully integrated 15A power solution that incorporates a DC-DC converter, MOSFETs, inductor, capacitors, and peripheral resistors within a small footprint and low EMI. ISM6402A minimizes the need for external components and simplifies output inductor design. The built-in 3.3V LDO is particularly beneficial for single-input power supply applications. With a differential sensing scheme and a 0.6V internal feedback reference voltage, it achieves ±1% tolerance across the entire operating temperature range, offering excellent line and load regulation. Utilizing the patented Turbo Constant On-Time (TCOT™) algorithm, ISM6402A enhances transient response. It includes a comprehensive set of features such as Power Good indication, pre-biased start-up, and full protection mechanisms including OCP, NOCP, OVP, UVP, and OTP. The internal slope compensation design allows for the use of all MLCC output capacitors, saving space and cost, making it an ideal component for various point-of-load applications.

