
Core Solution Direct | Breaking Through the Power Supply Bottleneck in High-Performance Laptops
Core Solution Direct | Breaking Through the Power Supply Bottleneck in High-Performance Laptops
The [Core Solution Direct] column selects power solutions verified by the market, from classic iterations to breakthrough new products, from high-precision power management ICs to multi-phase parallel optimization, decoding the performance leap of each chip to provide better power supply and protection solutions for your designs.
Last time, we released 4 high-integration domestic desktop power solutions (IVS Power Solutions Empower Domestic Desktops). This time, based on market applications, we have carefully selected 4 high-power supply solutions. Don't miss out!
As the Xinchuang (Information Technology Application Innovation) industry advances further, domestic high-performance laptops are accelerating the leap from technological followership to leadership in key areas. The continuous pursuit of computing power in mobile computing platforms drives performance growth in heterogeneous systems (CPU+GPU+xPU), leading to an exponential increase in system-level power consumption.

IS6202A+IS6811A High-Efficiency Power Supply
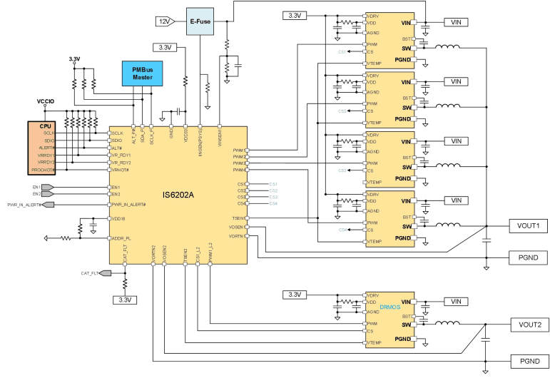
Solution Positioning: AVSBus Dynamic Voltage Regulation Multi-Phase V-CORE Solution
The IS6202A is a dual-loop, mixed-signal, multi-digital interface 5-phase controller compatible with PMBus and AVSBus protocols, adaptable to various xPU platform voltage regulation needs. The IS6811A is an integrated smart power stage with built-in power MOSFETs and gate drivers, achieving a continuous output current of 30A within a wide input voltage range of 4.5V to 22V.


Typical Features
IS6202A
- Dual outputs, supporting flexible 5+0/4+1 phase configuration

- Dynamic phase control and intelligent power state switching
- Fast transient response, ultra-high efficiency
IS6811A
- Withstands currents 4 times higher than the maximum operating current, double that of competitors
- Optimized switch on-resistance and parasitic inductance
- Supports precise current sensing, temperature sensing, and fault alarm functions
- High-efficiency power conversion technology with conversion efficiency up to 94%
Core Advantages
- Multi-phase parallel power supply technology, supporting up to 150A continuous current output
- Supports dynamic voltage regulation and power management functions
- Focus on efficiency and compact size for laptop applications
IS6630A/C/D, Three-Output Switching Converter
Solution Positioning: Ultra-High Power Integrated DDR Power Supply Solution
The IS6630A/C/D is a fully integrated synchronous switching converter with two internal LDOs, where the Buck can handle up to 10A full-load current. This chip highly integrates the three power rails required for DDR into a single 3mm * 3mm * 0.85mm QFN package, providing an integrated DDR power solution while occupying minimal space.

Typical Features
- Input Voltage: 4.5V-22V, Output Voltage: 0.6V-3.3V
- Efficiency can exceed 92% across the load range
- 10A continuous output current
- Internally integrated VTT, VTTREF, and VPP LDOs
- Optional two switching modes for high efficiency and low power consumption
- Optional 500kHz, 700kHz switching frequencies
- Differential output voltage sensing and 0.6V internal feedback reference, with ±1% tolerance across the full temperature range
- Built-in PGOOD signal to indicate chip operating status
- Supports protection functions like UVLO/OVP/UVP/OCP/NOCP
Core Advantages
- Simple control loop, fast transient response
- Slope compensation, supports all-ceramic output capacitors
- Built-in integrator for high output voltage accuracy

IS6302A, Internally Integrates Two Bucks and a Single Load Switch
Solution Positioning: High-Power Solution Designed for LPDDR5/4X
As a fully integrated switching converter, the IS6302A integrates a 10A VDD2, a 1A VDDQ, and a 1.8V/1A VDD1 load switch. It can continuously output 10A, with a peak current of up to 14A. The VDD1 load switch can provide 1A continuous current with only 2x22uF MLCCs.

Typical Features
- Input Voltage: 3.15V-22V, Output Voltage: 0.9V-1.1V

- VDDQ output current is 1A, peak current is 3A
- 1.8V VDD1 peak current is 2.2A
- VDD2 output current is 10A, peak current is 14A
- Fast transient response, stable operation using POSCAP/MLCC
- Fixed 700kHz switching frequency
- Built-in soft start (SS) and output discharge
- Supports protection functions like UVLO/OVP/UVP/OCP/NOCP
Core Advantages
- Supports three outputs, internally integrates two Bucks and a single load switch
- Internally optimized power MOSFETs designed for high efficiency and performance
- High efficiency, high performance, and a smaller application footprint
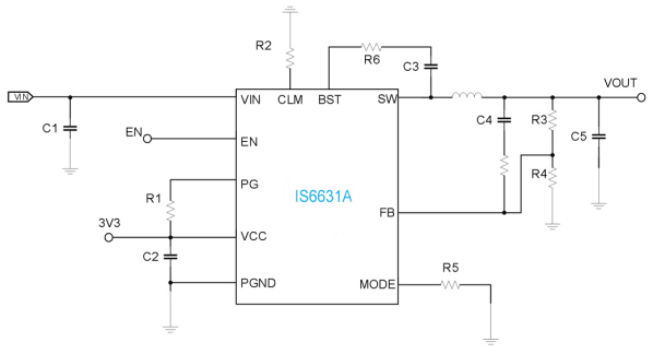
IS6631A, High Power Density Constant 10A Load Fully Integrated Switching Converter
Solution Positioning: POL (Point-of-Load) Solution with 0.6V-12V Output
The IS6631A can provide up to 10A of continuous current over a wide input voltage range, with a maximum output voltage of 12V, supporting current limiting in different application modes.

Typical Features
- Input Voltage: 4.5V-22V, Output Voltage adjustable from 0.6V-5.5V and 5.5V-12V

- Programmable current limit
- Fixed 700kHz switching frequency
- Excellent load and line regulation performance, voltage accuracy reaches 1%
- Output voltage tracking and discharge functions
- Pre-bias startup, programmable soft-start time
Core Advantages
- Uses TCOT control architecture for fast transient response
- Integrated slope compensation, output supports all-ceramic capacitor applications
- Slow integrator to improve output voltage accuracy
