The Optimal Solution for Domestic Substitution! Analyzing IVS's Digital Communication Multi-Phase Controller
With the rise of big data, cloud computing, and artificial intelligence, the construction of infrastructure such as communication base stations and data centers, the surge in data storage and computational processing demands, and the gap in computing speed and processing power, CPUs, GPUs, and ASICs requiring higher currents are needed to meet these demands. Simultaneously, this places higher requirements on power supply chips. The ability to output stable, high current is already a basic function of power supply chips; high-precision dynamic adjustment and excellent operational efficiency are also important factors engineers consider during selection...
The IS6201A, an 8-phase PWM controller with multiple digital interfaces, ultra-high efficiency, and fast dynamic response, independently developed and designed by Dongguan IVS Electronics Co., Ltd., can stably output high current when paired with a Smart Power Stage, perfectly meeting engineers' needs and easily addressing applications in industrial, communication, and computing fields.

Multi-Phase Controller – IS6201A
The IS6201A is a dual-loop digital multi-phase buck controller, specifically designed for CPU voltage regulation, fully compliant with the AMD SVI2 specification.
The IS6201A utilizes our patented Turbo Constant On-Time (TCOT™) control algorithm to achieve lightning-fast transient response. It also includes proprietary efficiency shaping technology to deliver outstanding efficiency across the entire load range. The dynamic phase control function can increase/decrease phases based on load current. The IS6201A can be configured for 1-phase or 2-phase PSI operation, with active diode emulation performed automatically or via command.
The IS6201A is simultaneously compatible with I²C, PMBus™, and AMD SVI2 digital communication protocols. I²C serves as the primary control, defining various chip functions and configurations; users can set the chip's output voltage, read the chip's output voltage, and perform other functions via PMBus™ or AMD SVI2 communication.
The IS6201A provides OVP, UVP, OCP, OTP, and CAT_FLT fault protection and can be used with DCR current sensing, precision current-sensing resistors, and IVS Smart Power Stages. The IS6201A also includes numerous features that simplify and differentiate multi-phase voltage regulator (VR) design, such as register diagnostics. In summary, the IS6201A achieves a VR solution with minimal external components.
Rich Features and Excellent Dynamic Characteristics
1. Supports Output Phase Number Configuration for Two LOOPS
Users can configure LOOP phase number combinations such as 8+0/7+1/6+2 via the chip's internal MTP. The simplified diagrams for the 8+0 and 6+2 combinations are shown below:

2. Supports LOAD LINE Function Configuration
The IS6201A supports users independently enabling the LOAD LINE function and setting the LOAD LINE magnitude via external RCSP & RCSM and chip register data. The IS6201A 4-phase LOAD LINE curve is shown in Figure 4:

3. Ultra-High Current Accuracy
Load < 100A, accuracy within +/-3A; Load >= 100A, accuracy within +/-3% * LOAD. The IS6201A current accuracy curve is shown below:

4. Automatic Phase Number Adjustment Function
The IS6201A supports automatically adjusting the number of phases based on load current to improve efficiency across the entire load range. An example diagram of the IS6201A automatically adjusting phases from light load to heavy load is as follows:

5. Adapts to Fast Transient Changes
The transient regulation of the IS6201A can adapt to application scenarios with rapid load step changes at the backend; when the backend load changes rapidly, the voltage change range is small. The following figure shows an example of IS6201A transient regulation:

6. Supports Fast Voltage Adjustment via PMBus™, SVI2 Communication Protocols
Maximum communication frequency for I²C and PMBus™ is 1MHz; maximum for SVI2 is 20MHz. Two modes meet the voltage adjustment requirements of different platforms. PMBus™ voltage adjustment step is 1mV/LSB, SVI2 voltage adjustment step is 1mV/LSB.

Mature Market-Level Application Solutions
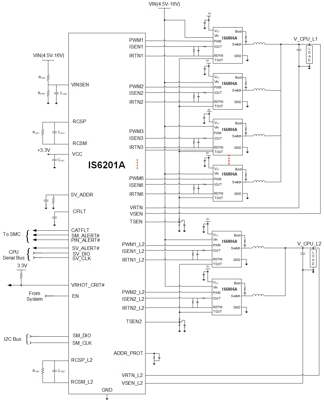
- The IS6201A paired with IVS's high-current Smart Power Stage (SPS) IS6806A/IS6809A can easily achieve stable power supply with currents exceeding 320A for platforms like servers and desktop motherboards.


The IS6806A/IS6809A are integrated Smart Power Stages that incorporate internal power MOSFETs and gate drivers, using a 5 mm x 6 mm QFN package, capable of handling up to 70A. The internal integration of the gate driver and power MOSFETs in the IS6806A/IS6809A optimizes dead time and reduces parasitic inductance, thereby achieving high efficiency, excellent thermal performance, and high power density. The IS6806A/IS6809A can receive tri-state pulse width modulation (PWM) signals from multi-phase controllers, support fault alarm functions such as HS FET overcurrent, overtemperature, and HS MOSFET short-circuit faults, and support precise current sampling and temperature sampling functions to respectively achieve inductor current detection and report junction temperature. The difference is that the IS6806A uses voltage-mode feedback for the current signal, while the IS6809A uses current-mode feedback. What they share is that both are suitable for server and desktop solutions requiring performance and stability. Taking the IS6806A as an example, a simplified diagram of pairing with the IS6201A is shown below:

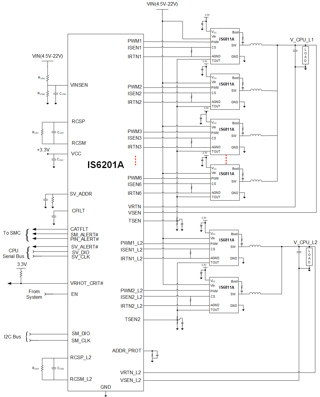
- The IS6201A paired with IVS's high-current Smart Power Stage (SPS) IS6811A can be adapted for notebook applications; 8-phase synchronous operation can provide power supply current up to 200A.

The IS6811A is a power stage chip integrating drivers and power MOSFETs, in a 3mm×5mm QFN package, achieving a continuous output current of 30A within a wide input voltage range of 4.5V-24V. The IS6811A also features current monitoring and temperature monitoring functions. Due to optimized dead time and reduced parasitic inductance, it can operate with high efficiency within a frequency range of 100kHz to 2MHz. Compared to competitors, Figure 13 left shows a switching frequency of 1 MHz, Figure 13 right shows a switching frequency of 2 MHz; its peak efficiency and heavy load efficiency are both higher than competitors. From Figure 14, it can be seen that the IS6811A device can withstand currents 4 times higher than the maximum operating current, twice that of competitors, where the competitor's maximum current is 80A, while our device reaches 160A. Furthermore, the IS6811A is very suitable for notebook applications that focus on efficiency and small size.



The Preferred Solution for Domestic Substitution
As IVS's first multi-phase controller, the IS6201A offers the advantages of multiple digital interfaces, high efficiency, and fast dynamic response, and is compatible with controlling multiple IVS high-current Smart Power Stage chips. Whether for servers and desktops pursuing performance and stability, or notebooks focusing on efficiency and size, the IS6201A provides a perfect solution. As a domestic power supply chip company, IVS once again demonstrates the "China Chip" to the world, contributing to the domestic multi-phase controller field!
