Dual-output 12-phase digital controller, supporting PMBus/AVSBus/SVID protocols

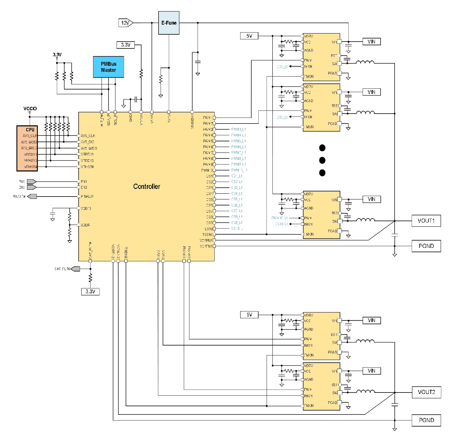
The IS6203A is a dual-output digital multiphase buck controller specifically designed for xPU voltage regulation, compatible with PMBus/AVSBus/SVID protocols. The chip can be configured for up to two outputs, with Loop 1 supporting 12-phase operation and Loop 2 supporting 6-phase operation. It achieves excellent efficiency across the entire load range through dynamic phase control based on load current. IS6203A utilizes IVS's proprietary TCOT™ control mode to deliver fast transient response and supports 127 address values for two PMBus bus interfaces. Device configuration can be defined using the Innovision GUI and stored in on-chip non-volatile memory (NVM), reducing external components and minimizing package size. Additionally, IS6203A provides extensive fault protection, including OVP, UVP, OCP, and OTP. When paired with smart power stages, it also supports temperature sensing via thermistor or maximum temperature reporting.

Dual-output 12-phase digital controller, supporting PMBus/AVSBus/SVID protocols

The IS6203A is a dual-output digital multiphase buck controller specifically designed for xPU voltage regulation, compatible with PMBus/AVSBus/SVID protocols. The chip can be configured for up to two outputs, with Loop 1 supporting 12-phase operation and Loop 2 supporting 6-phase operation. It achieves excellent efficiency across the entire load range through dynamic phase control based on load current. IS6203A utilizes IVS's proprietary TCOT™ control mode to deliver fast transient response and supports 127 address values for two PMBus bus interfaces. Device configuration can be defined using the Innovision GUI and stored in on-chip non-volatile memory (NVM), reducing external components and minimizing package size. Additionally, IS6203A provides extensive fault protection, including OVP, UVP, OCP, and OTP. When paired with smart power stages, it also supports temperature sensing via thermistor or maximum temperature reporting.
