16V, 20A Fully Integrated Synchronous Buck Converter with Output Voltage Tracking and Discharge Function

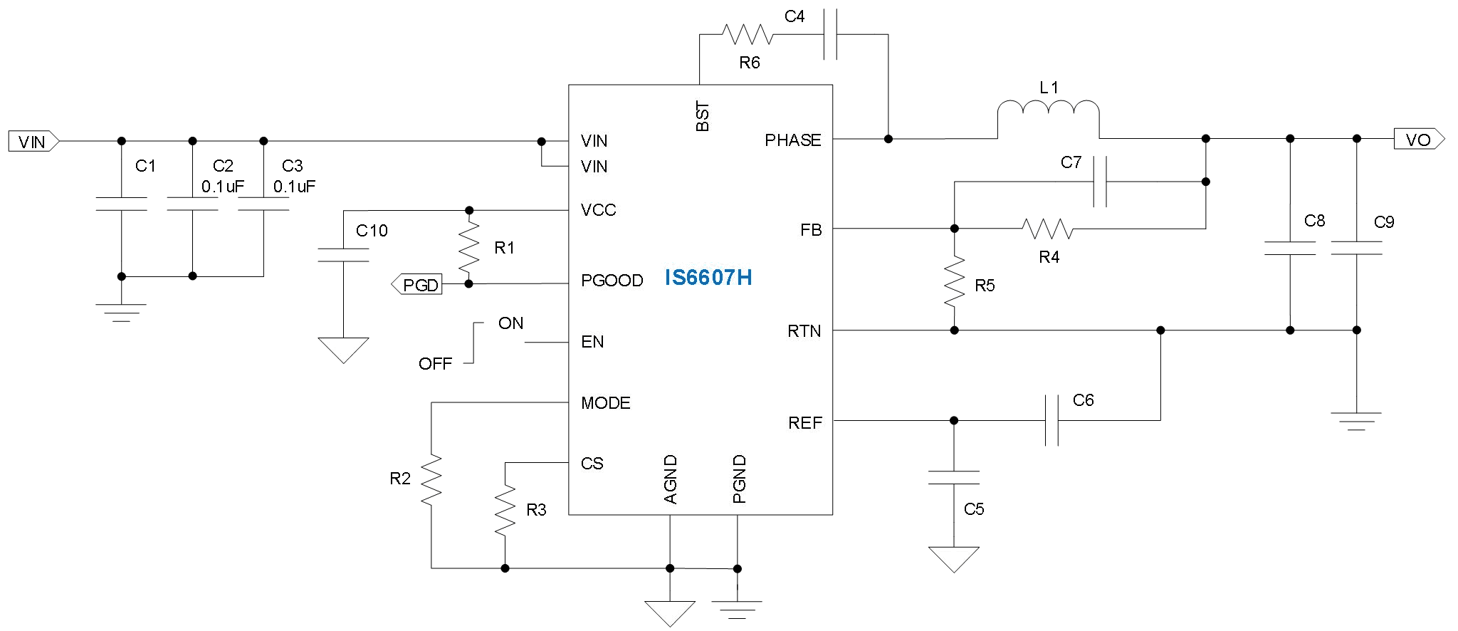
The IS6607H is specially designed for wide-voltage and high-power scenarios. It supports an input voltage range of 3.5V to 16V and can achieve a continuous output current capacity of 20A. This device integrates an LDO internally, supporting system-level optimization in single-input power supply scenarios. The external bias can be configured in a mode to achieve efficiency optimization. Based on differential output voltage detection and an internal feedback reference of 0.6V, it achieves a tolerance of ±1% over the entire temperature range, and also possesses excellent linearity and load regulation performance. Equipped with the patented Turbo Constant On Time (TCOT™) control algorithm, it features rapid transient response. Comprehensive protection functions, including OCP, NOCP, OVP, UVP and over-temperature protection (OTP). The IS6607H optimizes heat dissipation design and compatibility with MLCC output capacitor design. This significantly reduces the required external components, saving space and lowering costs.

16V, 20A Fully Integrated Synchronous Buck Converter with Output Voltage Tracking and Discharge Function

The IS6607H is specially designed for wide-voltage and high-power scenarios. It supports an input voltage range of 3.5V to 16V and can achieve a continuous output current capacity of 20A. This device integrates an LDO internally, supporting system-level optimization in single-input power supply scenarios. The external bias can be configured in a mode to achieve efficiency optimization. Based on differential output voltage detection and an internal feedback reference of 0.6V, it achieves a tolerance of ±1% over the entire temperature range, and also possesses excellent linearity and load regulation performance. Equipped with the patented Turbo Constant On Time (TCOT™) control algorithm, it features rapid transient response. Comprehensive protection functions, including OCP, NOCP, OVP, UVP and over-temperature protection (OTP). The IS6607H optimizes heat dissipation design and compatibility with MLCC output capacitor design. This significantly reduces the required external components, saving space and lowering costs.
