A fully integrated multi-phase high-frequency synchronous buck converter compatible with the PMBus interface, with a single-phase maximum load capacity of 30A

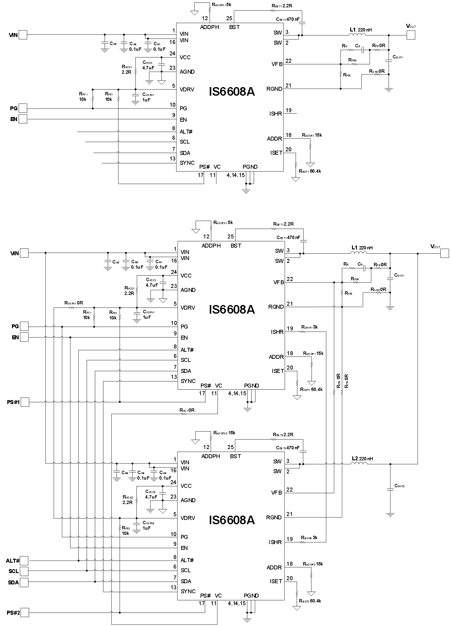
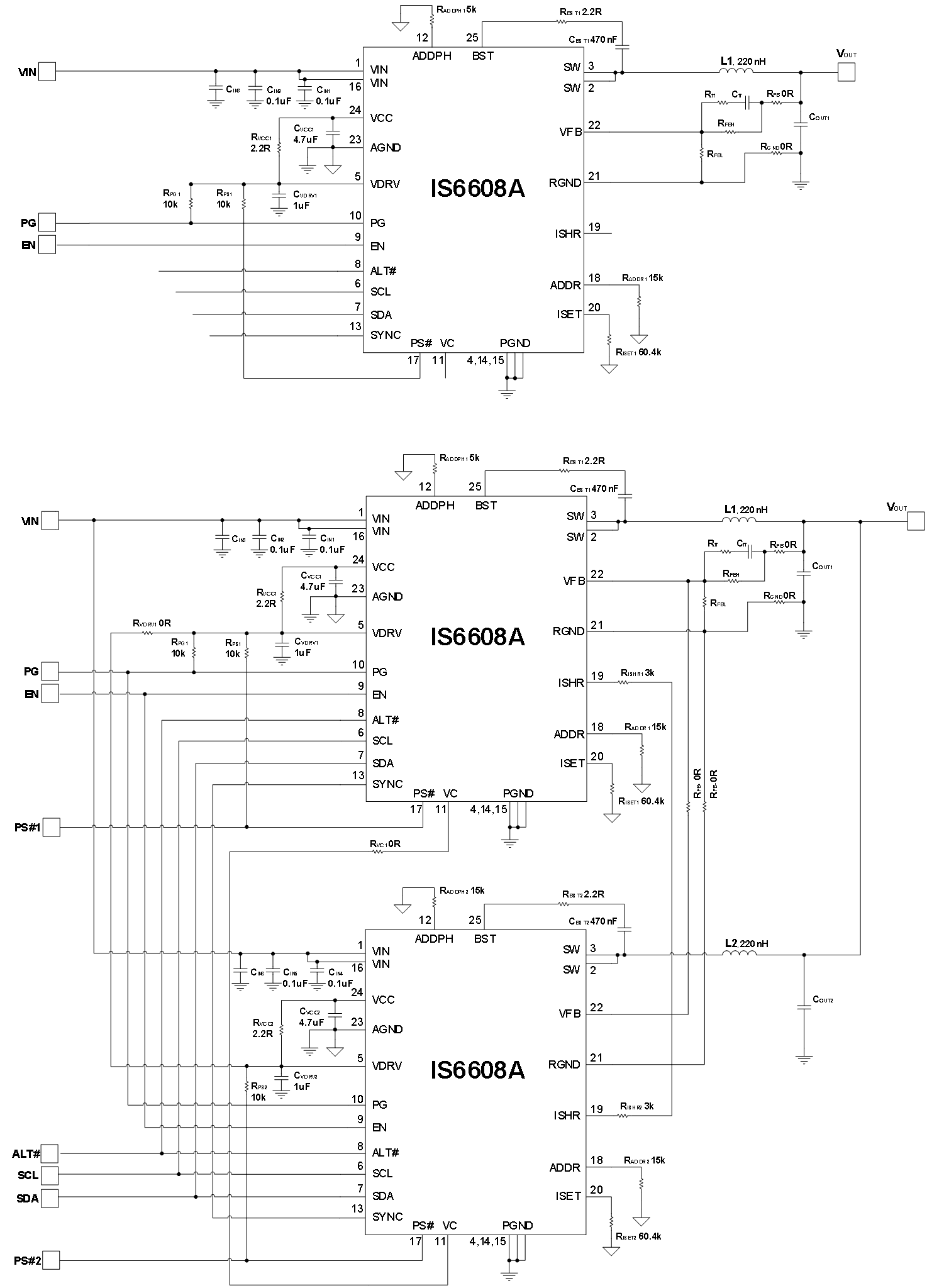
IS6608A is a fully integrated, high-frequency synchronous step-down converter compatible with the PMBus™ interface. It offers a compact solution, delivering up to 35A output current per phase across a wide input range, with excellent load and line regulation performance. The IS6608A operates efficiently over a broad output current load range. The PMBus™ interface enables converter configuration and monitoring of critical parameters. Additionally, the IS6608A provides fast transient response and simplified loop compensation, while supporting parallel operation of up to eight phases for superior current sharing and phase interleaving in high-current applications. The converter incorporates comprehensive protection features, including over-current protection (OCP), over-voltage protection (OVP), under-voltage protection (UVP), and over-temperature protection (OTP).

A fully integrated multi-phase high-frequency synchronous buck converter compatible with the PMBus interface, with a single-phase maximum load capacity of 30A

IS6608A is a fully integrated, high-frequency synchronous step-down converter compatible with the PMBus™ interface. It offers a compact solution, delivering up to 35A output current per phase across a wide input range, with excellent load and line regulation performance. The IS6608A operates efficiently over a broad output current load range. The PMBus™ interface enables converter configuration and monitoring of critical parameters. Additionally, the IS6608A provides fast transient response and simplified loop compensation, while supporting parallel operation of up to eight phases for superior current sharing and phase interleaving in high-current applications. The converter incorporates comprehensive protection features, including over-current protection (OCP), over-voltage protection (OVP), under-voltage protection (UVP), and over-temperature protection (OTP).
