16V, 10A Fully Integrated Buck DC/DC Power Module

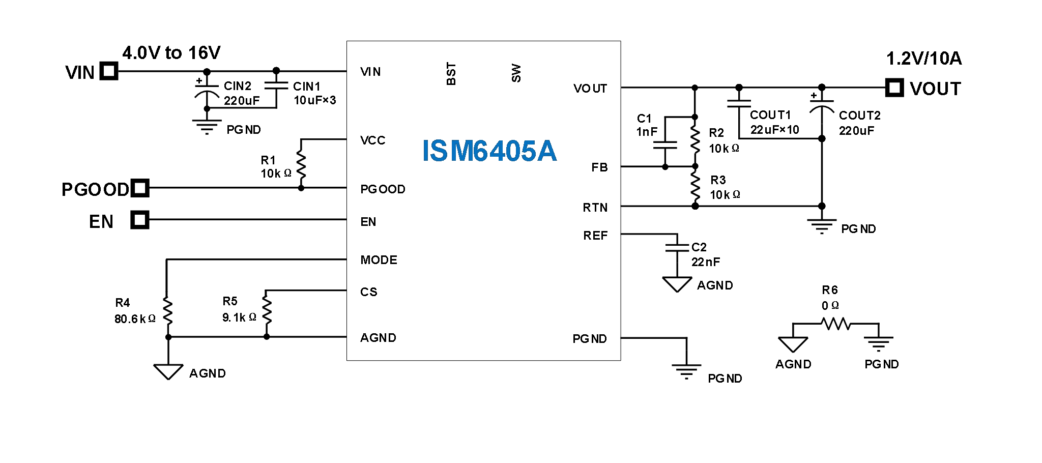
ISM6405A is a fully integrated 10A power solution, incorporating a DC-DC converter, MOSFETs, inductor, capacitors, and peripheral resistors within, offering a small footprint and low EMI. ISM6405A minimizes the need for external components and simplifies output inductor design. The built-in 3.3V LDO is particularly beneficial for single-input power supply applications. With a differential sensing scheme and a 0.6V internal feedback reference voltage, it achieves ±1% tolerance across the operating temperature range, providing excellent line and load regulation. Utilizing the patented Turbo Constant On-Time (TCOT™) algorithm, ISM6405A enhances transient response. It boasts a comprehensive feature set, including power good indication, pre-biased start-up, and full protection features such as OCP, NOCP, OVP, UVP, and OTP. The internal slope compensation design allows for the use of all MLCC output capacitors, saving space and cost, making it an ideal component for various point-of-load applications.


16V, 10A Fully Integrated Buck DC/DC Power Module

ISM6405A is a fully integrated 10A power solution, incorporating a DC-DC converter, MOSFETs, inductor, capacitors, and peripheral resistors within, offering a small footprint and low EMI. ISM6405A minimizes the need for external components and simplifies output inductor design. The built-in 3.3V LDO is particularly beneficial for single-input power supply applications. With a differential sensing scheme and a 0.6V internal feedback reference voltage, it achieves ±1% tolerance across the operating temperature range, providing excellent line and load regulation. Utilizing the patented Turbo Constant On-Time (TCOT™) algorithm, ISM6405A enhances transient response. It boasts a comprehensive feature set, including power good indication, pre-biased start-up, and full protection features such as OCP, NOCP, OVP, UVP, and OTP. The internal slope compensation design allows for the use of all MLCC output capacitors, saving space and cost, making it an ideal component for various point-of-load applications.

