Dual-output 8-phase digital controller, supporting PMBus/SVI2 protocol

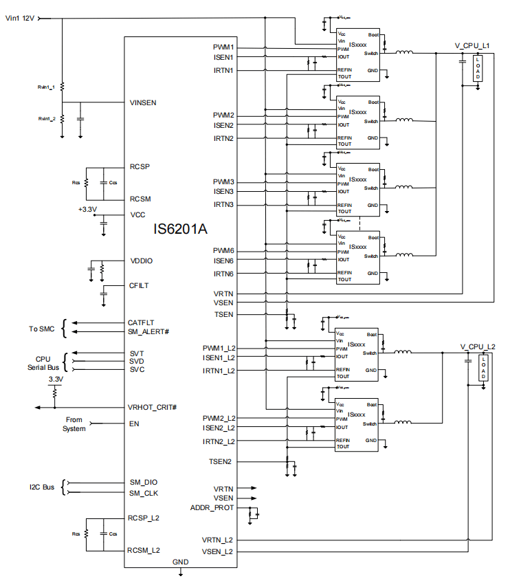
IS6201A is a dual-output digital multiphase step-down controller specifically designed for xPU voltage regulation, fully compliant with the PMBus 1.3.1 specification. It utilizes the proprietary TCOT™ control technology for rapid transient response. It achieves high operational efficiency across the output load range and supports dynamic phase control based on load current magnitude. IS6201A can be configured for single or dual output operation, supporting 127 addresses via PMBus and I2C bus interfaces. Device configuration can be easily set using GUI software and stored in on-chip non-volatile memory (NVM), reducing external components and minimizing package size. The controller provides comprehensive fault protection including OVP, UVP, OCP, OTP, and CAT_FLT, and incorporates temperature sensing via thermistor or maximum temperature reporting when used with power devices. Highly flexible, it is compatible with DCR current sensing, precision current sense resistors, and power devices.

Dual-output 8-phase digital controller, supporting PMBus/SVI2 protocol

IS6201A is a dual-output digital multiphase step-down controller specifically designed for xPU voltage regulation, fully compliant with the PMBus 1.3.1 specification. It utilizes the proprietary TCOT™ control technology for rapid transient response. It achieves high operational efficiency across the output load range and supports dynamic phase control based on load current magnitude. IS6201A can be configured for single or dual output operation, supporting 127 addresses via PMBus and I2C bus interfaces. Device configuration can be easily set using GUI software and stored in on-chip non-volatile memory (NVM), reducing external components and minimizing package size. The controller provides comprehensive fault protection including OVP, UVP, OCP, OTP, and CAT_FLT, and incorporates temperature sensing via thermistor or maximum temperature reporting when used with power devices. Highly flexible, it is compatible with DCR current sensing, precision current sense resistors, and power devices.
