Dual-output 5-phase digital controller, supporting PMBus/AVSBus/SVID protocols

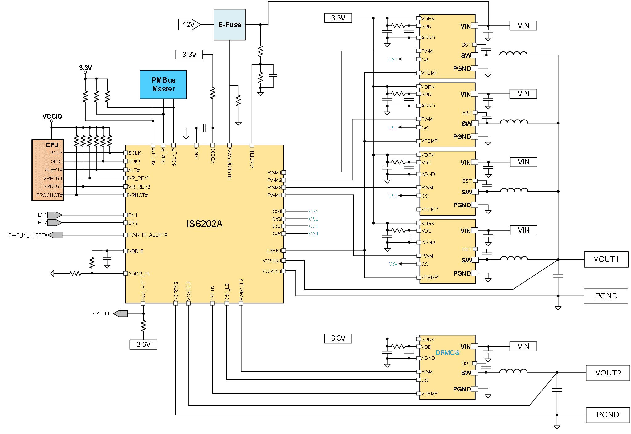
IS6202A is a dual-output digital 5-phase voltage reduction controller, designed for xPU voltage regulation and compatible with PMBus/AVSBus/SVID protocols. The chip can be configured with up to two output channels. Loop 1 can be set to 5-phase operation, while Loop 2 can be set to 1-phase operation. Within the output load range, it can achieve high efficiency and dynamic phase control can be performed according to the load current size. The IS6202A employs the company's patented (TCOT™) control algorithm to achieve rapid transient response. The IS6202A supports 127 address values for two PMBus bus interfaces. The device configuration can be defined using the Innovision GUI and is stored in the on-chip non-volatile memory (NVM) to reduce external components and minimize the package size. Additionally, it can perform dynamic phase control based on the load current, providing comprehensive OVP, UVP, OCP, and OTP fault protection.

Dual-output 5-phase digital controller, supporting PMBus/AVSBus/SVID protocols

IS6202A is a dual-output digital 5-phase voltage reduction controller, designed for xPU voltage regulation and compatible with PMBus/AVSBus/SVID protocols. The chip can be configured with up to two output channels. Loop 1 can be set to 5-phase operation, while Loop 2 can be set to 1-phase operation. Within the output load range, it can achieve high efficiency and dynamic phase control can be performed according to the load current size. The IS6202A employs the company's patented (TCOT™) control algorithm to achieve rapid transient response. The IS6202A supports 127 address values for two PMBus bus interfaces. The device configuration can be defined using the Innovision GUI and is stored in the on-chip non-volatile memory (NVM) to reduce external components and minimize the package size. Additionally, it can perform dynamic phase control based on the load current, providing comprehensive OVP, UVP, OCP, and OTP fault protection.
