Dual-output 4-phase digital controller Supports PMBus/SVI2 protocol

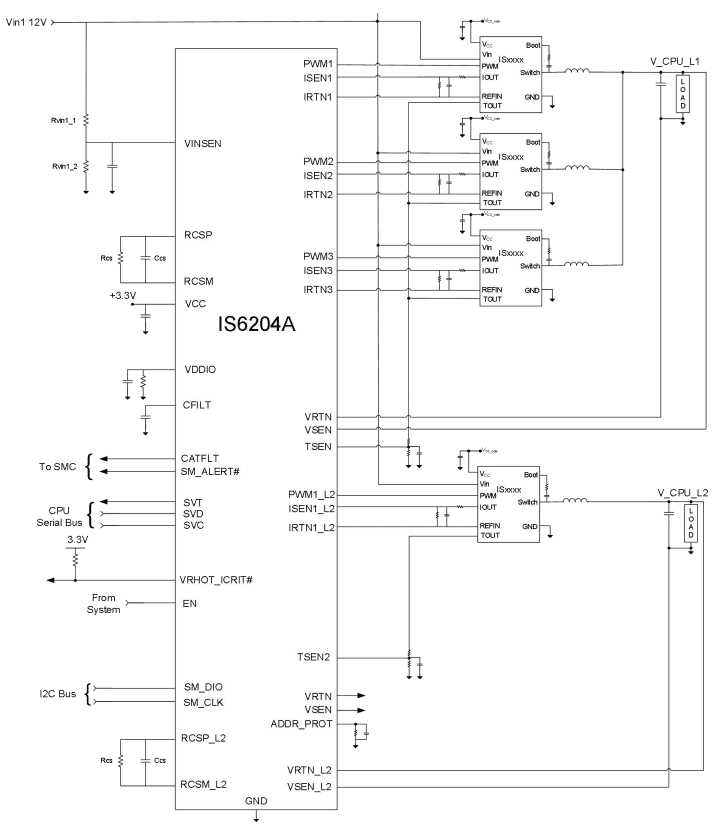
The IS6204A is a dual-output digital multiphase step-down controller specifically designed for CPU voltage regulation, fully compliant with the PMBus standard. It employs a proprietary TCOT™ control algorithm, enabling rapid transient response. Equipped with exclusive efficiency optimization technology, the IS6204A ensures outstanding efficiency across the entire load range. Its dynamic phase control feature allows for automatic or command-based addition or removal of phases according to load current. The IS6204A can be configured to operate with one or two outputs, supports 127 address values, and is suitable for PMBus and I2C bus interfaces. Device stored in on-chip non-volatile memory (NVM), reducing external components and minimizing package size. The IS6204A offers extensive fault protection including OVP, UVP, OCP, OTP, and CAT_FLT, and provides temperature sensing via thermistor or maximum temperature reporting when used with power stages.

Dual-output 4-phase digital controller Supports PMBus/SVI2 protocol

The IS6204A is a dual-output digital multiphase step-down controller specifically designed for CPU voltage regulation, fully compliant with the PMBus standard. It employs a proprietary TCOT™ control algorithm, enabling rapid transient response. Equipped with exclusive efficiency optimization technology, the IS6204A ensures outstanding efficiency across the entire load range. Its dynamic phase control feature allows for automatic or command-based addition or removal of phases according to load current. The IS6204A can be configured to operate with one or two outputs, supports 127 address values, and is suitable for PMBus and I2C bus interfaces. Device stored in on-chip non-volatile memory (NVM), reducing external components and minimizing package size. The IS6204A offers extensive fault protection including OVP, UVP, OCP, OTP, and CAT_FLT, and provides temperature sensing via thermistor or maximum temperature reporting when used with power stages.
