Dual-loop digital-analog hybrid 12-phase PWM controller, supporting PMBus/SVI3/PVID protocols

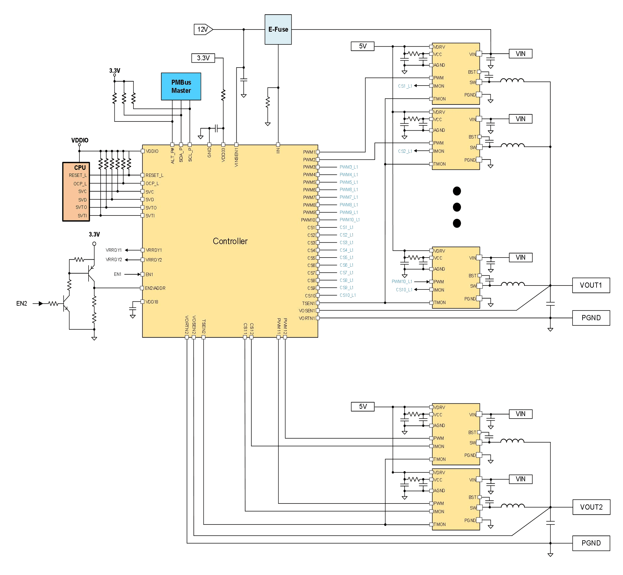
The IS6207A is a dual-output digital multi-phase buck controller specifically designed for xPU voltage regulation, compatible with the PMBus/SVI3 protocol. It adopts the unique patented Turbo Constant On-Time control algorithm, enabling rapid transient response. The IS6207A is equipped with proprietary efficiency adjustment technology. The dynamic phase control function can automatically add or remove phases based on the load current or through commands, ensuring excellent efficiency throughout the load range. The IS6207A can be configured for 1-phase or 2-phase PS1 operation mode, supporting automatic or manual activation of diode simulation function. Device configuration can be stored in the on-chip non-volatile memory (NVM), effectively reducing external components and reducing the package size. The IS6207A device is equipped with comprehensive fault protection functions, including OVP, UVP, OCP and OTP. When using the power supply stage, the system also includes a thermistor temperature monitoring function or a maximum temperature reporting mechanism.

Dual-loop digital-analog hybrid 12-phase PWM controller, supporting PMBus/SVI3/PVID protocols

The IS6207A is a dual-output digital multi-phase buck controller specifically designed for xPU voltage regulation, compatible with the PMBus/SVI3 protocol. It adopts the unique patented Turbo Constant On-Time control algorithm, enabling rapid transient response. The IS6207A is equipped with proprietary efficiency adjustment technology. The dynamic phase control function can automatically add or remove phases based on the load current or through commands, ensuring excellent efficiency throughout the load range. The IS6207A can be configured for 1-phase or 2-phase PS1 operation mode, supporting automatic or manual activation of diode simulation function. Device configuration can be stored in the on-chip non-volatile memory (NVM), effectively reducing external components and reducing the package size. The IS6207A device is equipped with comprehensive fault protection functions, including OVP, UVP, OCP and OTP. When using the power supply stage, the system also includes a thermistor temperature monitoring function or a maximum temperature reporting mechanism.
